线性稳压电源和开关稳压电源(理论和实践结合)
本篇本章基于模拟电子技术基础的知识,主要介绍线性稳压电源电路(串联型稳压电路)和开关稳压电源电路(串联开关型稳压电路)的工作原理,讲解方法为理论和实际工程需求相结合,这样可便于加深理解。
前言
本篇本章基于模拟电子技术基础的知识,主要介绍线性稳压电源电路(串联型稳压电路)和开关稳压电源电路(串联开关型稳压电路)的工作原理,讲解方法为理论和实际工程需求相结合,这样可便于加深理解。小生不才,能力有限,如发现本文存在瑕疵或错误,恳请各位读者给予指导和修正。
声明:本文为原创文章,未经本人同意,禁止转载,否则必将追责。
一、电力变换
1.什么是电力变换?
电力变换是指将电能从一种形式或参数(如电压、电流、频率)转变为另一种形式或参数的过程,电力变换的目的通常是为了满足不同电气设备或电力系统的需求。讲人话就是,将来自电源的电能进行转换,以满足不同负载的需求。
2.分类
电力变换通常分为四大类,交流变交流(AC-AC变换),交流变直流(AC-DC变换),直流变交流(DC-AC变换),直流变直流(DC-DC变换)。接下来所讲述的线性稳压电源和开关稳压电源就是属于直流变直流的范围内。
二、线性稳压电源
以下是对线性稳压电源电路从基本原理电路到最终电路的推导过程。
1.稳压管稳压电路
如果我们的需求是把一个5V电压稳定在3.3V电压下,那么稳压管稳压电路就可以实现。

稳压管稳压电路是利用二极管的反向击穿特性,将Uo稳定在一个固定数值。其中当Rl变化时,负载电流会变化,在满足Uo稳定范围的需求下,负载电流最大变化范围等于稳压管的最大稳定电流和最小稳定电流之差:
![]()
从上述不难看出,稳压管稳压电路输出电流较小,输出电压不可调,不能满足很多场合下的应用。
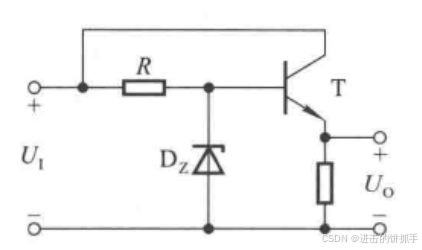
2.加三极管扩大负载电流的变换范围

这里利用了三极管的电流放大特性,对基极的小电流进行放大,发射极进行放大电流输出,三极管充当射极输出器的角色。则该电路负载电流的变换范围为:
![]()
不难看出,负载电流变换范围扩大了(1+B)倍。
除此之外,该电路还引入了电压负反馈(负载在晶体管当中相当于反馈电阻),加深了稳定输出电压的程度。可见,晶体管的调节作用使Uo稳定,所以称晶体管为调整管。
由于调整管与负载相串联,故称这类电路为串联型稳压电源;由于调整管工作在线性区,故称这类电路为线性稳压电源。所以线性稳压电路和串联型稳压电路其实是同一类电路。
3.最终版-串联型稳压电路(线性稳压电路)
第2小节解决了输出电流较小的问题,那怎么实现输出电压可调呢?
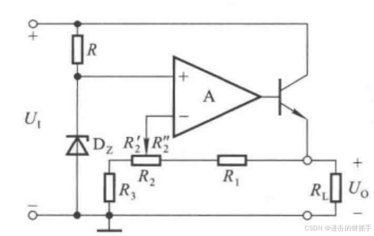
很简单,我们可以在上述电路基础上引入同相比例运算电路,同相端接稳压管,反向端接负反馈网络,如下图所示

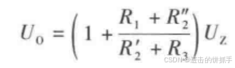
运算放大器输出端接三极管,实现电流放大,调节负反馈网络中的反馈电阻值,就可以改变输出端Uo的大小。其中Uo与Uz成如下比例关系:
![]()
常见画法如下(和上面电路是一样的,只不过改变了画法)

由图中可知,串联型稳压电路(线性稳压电路)由调整管、基准电压电路、比较放大电路、采样电路组成。
- 调整管:放大电流,提高带负载能力;稳定输出电压。
- 基准电压电路:基准电压电路提供一个稳定的电压参考信号,这个基准电压用于确定电路的输出电压。
- 采样电路:采样电路用于获取输出电压的分压值,并将其提供给比较放大电路。它的作用是将输出电压传递给比较电路,以便进行实时监测和比较。
- 比较放大电路:将基准电压与采样电压进行比较,产生误差信号。这个误差信号用来调整调整管的工作状态,确保输出电压稳定在预定值。
4.注意点
- 电路中运算放大器引入了深度负反馈。对运算放大器引入负反馈作用不理解的可以跳转如下链接进行阅读。https://blog.csdn.net/fyf985/article/details/144769993?fromshare=blogdetail&sharetype=blogdetail&sharerId=144769993&sharerefer=PC&sharesource=fyf985&sharefrom=from_link
- 电路中调整管工作在放大状态,自身功耗较大,故效率较低,仅为百分30到40。所以线性稳压电路只适用于稳定小电压,运用于低功耗的场景。
- 线性稳压电路虽然效率低,但具有结构简单、调节方便、输出电压稳定性强、纹波电压小等优点。
- 市面上大多数线性稳压电路都是集成在芯片当中,我们只需要根据实际输入端和输出端电压大小挑选对应的芯片型号(如AMS1117-3.3,输出稳定在3.3V电压),连接好输入、输出、gnd的引脚即可。
三、开关稳压电源
常见的开关稳压电源有降压型开关电源(Buck Converter)、升压型开关电源(Boost Converter)、升降压型开关电源(Buck-Boost Converter)。下面我们就Buck电源电路进行讲解,并且简单提及Boost电路。
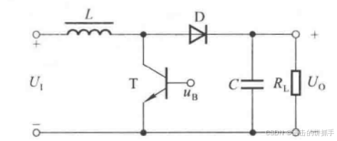
1.串联开关型稳压电路基本原理(Buck)
基本原理图:

调整管与负载串联,并且在Ub端接入矩形波(即方波,为pwm信号),控制开关管的工作状态,从而调节输出电压。所以Buck电路也叫串联开关型稳压电路。
其中各个元件作用为
- 开关管:控制电路的开关状态,利用高频开关动作将输入电源的直流电能转换成脉冲信号,通过调节开关管的导通和关断时间,调节输出电压的平均值。
- 续流二极管:开关导通时,续流二极管截止;开关断开时,续流二极管导通。
- 电感:储能和释放能量。开关导通时,将电能存储为电磁能;开关断开时,将电磁能转化为电能。这有助于避免电流突然变化,从而平滑电流波形,也就相当于平滑输出电压波形。
-
输出端电容:平滑电压波形,减少纹波。
2.串联开关型稳压电路的组成

它包括调整管及开关驱动电路(电压比较器)、采样电路、三角波发生电路、基准电压电路、比较放大电路、滤波电路(电感L、电容C和续流二极管D)等几个部分。
稳压原理:
假设输入电压12V,我们想要得到6V输出电压。那么就要使Ub端方波信号占空比为百分值50,此时三角波发生电路产生的三角波关于横轴对称即可,如下图所示:

当三角波关于横轴对称前提下,理想情况下,采样电压Un1=基准电压Uref时,比较放大电路输出端Up2等于0,作用于电压比较器同相输入端,使其产生占空比为百分之50的方波信号。这就满足了12V降6V的需求。而且该方波信号占空比是随采样电压(即输出端分压值)动态变化的。
- 当输出电压降低时。即

- 当输出电压增大时。即
![]()
q是占空比,q的稳定值与采样电压有关
- 当采样电压Un1<基准电压Uref时,q稳定值大于百分之50;
- 当采样电压Un1>基准电压Uref时,q稳定值小于百分之50。
至此,串联开关型稳压电路稳压原理介绍完毕,总结起来就是,根据方波占空比确定输出电压值;并且根据采样电压值来动态调节q值,从而使输出电压稳定,即在输出端引入负反馈。
以下是串联开关型稳压电路的简化电路:

不难看出,市面上大多数电路设计都把pwm电路和开关管集成在芯片中了,即DC-DC Buck类型的芯片,如常见的LM2596芯片。实际设计中,我们只需要根据需求挑选对应的Buck芯片,然后设计对应的外围电路(续流二极管、电感、输出端电容、输入端电容)即可。
3.并联开关型稳压电路
串联开关型稳压电路调整管与负载串联,输出电压总是小于输入电压,故称为降压型稳压电路(Buck)。在实际应用中,还需要将输入直流电源经稳压电路转换成大于输入电压的稳定的输出电压称为升压型稳压电路(Boost)。在这类电路中,开关管常与负载并联,故称之为并联开关型稳压电路。
其原理图如下图所示,这里不详细展开讲,稳压原理和串联开关型稳压电路相似。

4.注意点
- 开关型稳压电路开关管导通和断开时,分别工作在饱和和截止状态,当饱和时,开关管管压降很小,因此管耗很小;当截止时,开关管流经电流很小(为穿透电流),因此管耗也很小。因此开关型稳压电路工作效率很高,可达百分之70到百分之95。
- 电容、电感值越大,滤波效果越好,但电路中响应时间变长,即上电时刻到输出电压稳定时刻之间的时间变长,所以电容、电感值要适中,实际电路设计中,具体可以查看对应的芯片设计手册。
- 由于负载电阻变化时影响LC滤波电路的滤波效果,因而开关型稳压电路不适用于负载变化较大的场合。
- 市面上的Buck芯片有固定输出版本(如LM2596-5.0)和可调输出版本(如LM2596-ADJ)。固定输出版本是指,输入电压在指定的范围内,输出电压端直接连接芯片反馈引脚(FB),就可以输出固定的电压值(续流二极管、电感、输出端电容、输入端电容都按电路规范要求接好的前提下);可调输出版本是指,输入电压在指定的范围内,输出电压端连接可调电阻到芯片反馈引脚(FB),就可以实现输出电压可调。输出电压值与可调电阻值的关系可查看芯片手册。
如果您是硬件小白,觉得文章写的不错,对你理解电源方面硬件知识能起到微不足道的帮助的话,还劳烦您帮忙点点免费的关注和赞,后面本账号也还会发表Buck和LDO(线性稳压)相关的实战篇文章,希望可以助您加深理解,我们一起共同进步。
声明:本文为原创文章,未经本人同意,禁止转载,否则必将追责。
更多推荐



所有评论(0)